Полуприцепы-цистерны BONUM
animateMainmenucolor
Fuel Trailer
Fuel Trailer
Набережные Челны
+7 (8552) 770-770
Полуприцепы BONUM сохраняют высокие эксплуатационные свойства в течение многих лет

Бензовоз BONUM ГСМ 38

Полуприцеп-цистерна BONUM для светлых нефтепродуктов


Бензовоз BONUM ГСМ 38 разработан с учетом суровых российских климатических и дорожных реалий, полностью адаптирована к условиям эксплуатации, что увеличивает срок ее службы.

Полуприцеп-цистерна предназначен для перевозки для светлых нефтепродуктов,/

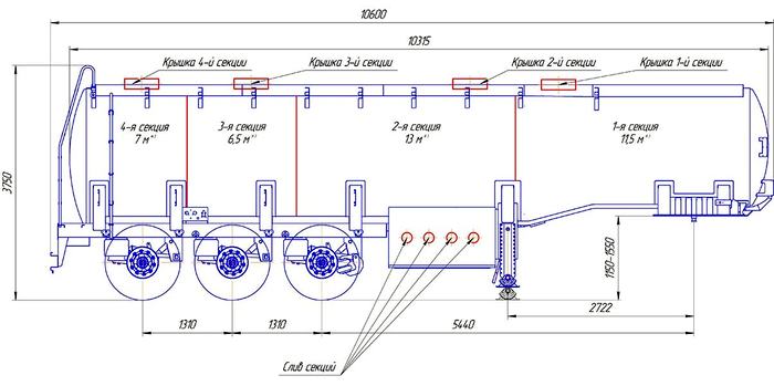
  • Объем - 38 м3
  • Количество отсеков - 4 шт
  • Окраска - «PRIME System» 
  • Cнаряженная масса - 7 900 кг

Комплектации

Бензовоз BONUM ГСМ 30 выпускается в комплектациях:

  • Classic
  • Premium

Дополнительные опции:

  • Установка механизма подъема передней оси на оси BPW/SAF
  • Добавление 1 отсека к стандартной комплектации (включая стандартную запорную арматуру)
  • Установка механического донного клапана на 1 отсек (включая механическую панель управления клапанами)
  • Установка оборудования для нижнего налива API (включая оборудование для рециркуляции ПВС) для полуприцепа с 4 отсеками
  • Установка оборудования для нижнего налива API (включая оборудование для рециркуляции ПВС) для полуприцепа с 3 отсеками
  • Общий (коллекторный) слив (для любого количества секций)
  • Слив на две стороны
  • Установка насоса 1СВН-80А (500 л/мин) (Россия) с приводом от гидромотора
  • Установка насоса СЦЛ 20/24 (750 л/мин) (Россия) с приводом от гидромотора
  • Установка узла выдачи топлива ППО-40 (Россия)
  • Установка узла выдачи топлива ППО-25 (Россия)
  • Окраска полуприцепа согласно макету заказчика

Технические характеристики

Полезный объем 38 м3
Тип формы Цилиндр переменного сечения (Бутылочная форма)
Габариты длина 10 600 мм, ширина 2 500 мм, высота 3 750 мм 
(указана высота для ССУ 1250 мм)
Снаряженная масса 7 900 кг
Материал изготовления колбы Сталь 09Г2С (t эксплуатации -70С +425С) толщиной 4 мм
Количество секций 3
Управление сливом Пневматическое (дублирующие шаровые краны)
Заливные горловины Диаметр 300 мм, люк оснащен дыхательным клапаном
Донные клапаны Промприбор (Россия) / CIVACON EURO 100-3S (США)
Оси BPW ECO PLUS 2/ SAF INTRADRUM 
Сливные рукава TS Gassoflex (Испания) 4,5 м 1 шт.
Тормозная система Двухпроводная производства
«WABCO 2015 ABST-EBS» барабанные тормоза
Опорное устройство BPW2/SAF2(2х25 тонн)
Смотровая площадка Перфорированная пешеходная дорожка и лестница,
автоматические перила (механический способ подъема)
Шины Cordiant2/Continental2 385/65R22,5  
Комплектация Противооткатный упор, 2 пенала для сливных рукавов, быстросъемные
соединения Camlock 3″, умывальник с мыльницей, запасное колесо,
светотехника и электрика ASPOECK (Австрия).
Окраска
«PRIME System»
Предварительная обработка в дробеструйной камере, покрытие эпоксидным
цинкосодержащим грунтом, окраска по каталогу RAL двухкомпонентной эмалью
на полиуретановой основе ведущих европейских производителей толщиной 200-250 микрон